Thông số sản phẩm động cơ bánh răng sâu AMP2-RV:    
  Phạm vi tỷ lệ giảm: 7,5-80, công suất: 0,12KW, mã lực: 0,16HP, mô-men xoắn: 4,8-50N.m, tốc độ tự do: 125-11RPM, mức tiêu thụ không khí: 0,21m³/phút, trọng lượng: 6,5-8,0kg (mức giảm khác nhau tỷ lệ, trọng lượng khác nhau), phương pháp lắp đặt tùy chọn: dọc, ngang, van điều khiển bằng tay tùy chọn, phanh, bộ điều khiển. 
     Tính năng tiêu chuẩn:    
  Sử dụng khí nén làm nguồn điện đảm bảo an toàn và chống cháy nổ, sản phẩm có chứng chỉ chống cháy nổ và đạt tiêu chuẩn an toàn quốc gia. Bộ giảm tốc xoắn ốc sử dụng van điều khiển để chuyển đổi khởi động, điều chỉnh và dừng và có thể đảo hướng ngay lập tức. Động cơ có thiết kế tổng thể khép kín, có thể sử dụng trong môi trường bụi bặm, ẩm ướt, khắc nghiệt. Nó được sử dụng rộng rãi trong công nghiệp hóa chất, chất bán dẫn, tinh thể, hóa dầu, công nghệ sinh hóa, nhà máy sơn, máy móc tự động và các ngành công nghiệp khác. 
     Môi trường làm việc:    
  Chất lỏng: Khí nén  
  Áp suất sử dụng: 5Kg/cm     2    (70psi)  
  Áp suất làm việc tối đa: 6Kg/cm     2    (85psi)  
  Nhiệt độ môi trường: -10°C~ 70°C (chỉ có thể sử dụng ở trạng thái không đóng băng)  
  Dầu bôi trơn: IS0VG32 hoặc tương tự. (Cần thêm dầu bằng sương dầu, 2 ~ 3 giọt mỗi phút).  
  Sử dụng liên tục: Có (không thể chạy liên tục không tải).  
  Tốc độ khuyến nghị: (0,3~1) x tốc độ đầu ra tối đa. 
Thông số chi tiết
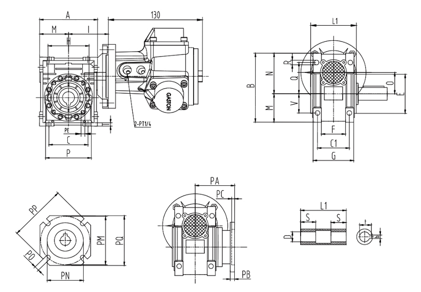
Bản vẽ kích thước lắp đặt
     
   
     Bảng kích thước lắp đặt   
   
| Giảm tốc Người mẫu | Thủ tướng | PQ | PN | Pồ | PP |               |    
| RV.30 |       68 2,7"  |           70 2,8"  |           50 2.0"  |           65 2,6"  |           80 3,1"  |    |
| RV40 |      75      3.0"  |          95      3,7"  |          60      2,4"  |          9      0.35  |          110      4,3"  |    |
| RV50 |       85 3,3"  |           110 4,3"  |           70 2,8"  |          11      0.43 "  |          125      4,9"  |    
|       Mẫu sản phẩm  |           MỘT  |           B  |           C  |           C1  |           D (h7)  |           E  |           G  |           H  |           TÔI  |           L1  |           M  |           N  |           O  |           P  |           Q  |           R  |           S  |           T  |           V  |           PA  |           PB  |           máy tính  |           Thể dục  |           Thủ tướng  |           PN  |           PO  |           PP  |           PQ  |           b  |           t  |    
|       AMP2-RV40-G7.5  |           100 3,94"  |           121.5 4,78"  |           70 2,76"  |           60 2,36"  |           18 0,71"  |           60 2,36"  |           71 28"  |           75 295  |           70 2,76"  |           78 3,07"  |           50 1,97"  |           71.5 2,81"  |           40 1,57"  |           87 3,43"  |           55 2,17"  |           65 0,26"  |           26 1,02"  |           65 0,26"  |           35 1,38"  |           67 2,64"  |           7 0,28"  |           4 0,16"  |           M6X8(n=4)  |           75 2,95"  |           60 2,36"  |           9(n=4)  |           110 4,33"  |           95 3,74"  |           6 0,24"  |           20.8 0,82"  |    
|       AMP2-RV40-G10  |    ||||||||||||||||||||||||||||||
|       AMP2-RV40-G15  |    ||||||||||||||||||||||||||||||
|       AMP2-RV40-G20  |    ||||||||||||||||||||||||||||||
|       AMP2-RV40-G25  |    ||||||||||||||||||||||||||||||
|       AMP2-RV40-G30  |    ||||||||||||||||||||||||||||||
|       AMP2-RV40-G40  |    ||||||||||||||||||||||||||||||
|       AMP2-RV50-G50  |           120 4,72"  |           144 5,76"  |           80 3,15"  |           70 2,76"  |           25 0,98"  |           70 2,76"  |           85 3,35"  |           85 3,35"  |           80 3,15"  |           92 3,62"  |           60 2,36"  |           84 3,31"  |           50 1,97"  |           100 3,94"  |           64 2,52"  |           6.5 0,26"  |           30 1,18"  |           7 0,28"  |           40 1,57"  |           90 3,54"  |           9 0,35"  |           5 0,2"  |           
 M8X10(n=4)  |           85 3,35"  |           70 2,76"  |           11(n=4)  |           125 4,92"  |           110 4,33"  |           8 0,31"  |           28.3 1.11"  |    
|       AMP2-RV50-G60  |    ||||||||||||||||||||||||||||||
|       AMP2-RV50-G80  |    
Bảng dữ liệu kỹ thuật
|       Mẫu sản phẩm  |           Quyền lực  |           Tốc độ định mức  |           mô-men xoắn  |           mô-men xoắn dừng  |           Tiêu thụ không khí  |           Cân nặng  |    ||||
|       (HP)  |           (kw)  |           (vòng/phút)  |           (Nm)  |           (lft.bt  |           (Nm)  |           (lft.bt)  |           (m³/phút)  |           (CFM)  |           (KG)  |    |
|       AMP2-RV40-G7.5  |           0.16  |           0.12  |           125  |           4.8  |           3.5  |           7.2  |           5.3  |           0.21  |           7.4  |           6.5  |    
|       AMP2-RV40-G10  |           92  |           6.3  |           4.6  |           10.3  |           7.6  |    |||||
|       AMP2-RV40-G15  |           60  |           9.5  |           7.0  |           14.5  |           10.7  |    |||||
|       AMP2-RV40-G20  |           45  |           12.5  |           9.2  |           18.8  |           13.9  |    |||||
|       AMP2-RV40-G25  |           36  |           15.5  |           11.4  |           22.9  |           16.9  |    |||||
|       AMP2-RV40-G30  |           30  |           18.6  |           13.7  |           27.5  |           20.3  |           8.0  |    ||||
|       AMP2-RV40-G40  |           22  |           25  |           18.5  |           36.8  |           27.2  |    |||||
|       AMP2-RV50-G50  |           18  |           32  |           23.6  |           46.7  |           34.5  |    |||||
|       AMP2-RV50-G60  |           15  |           38  |           28  |           55.3  |           40.8  |    |||||
|       AMP2-RV50-G80  |           11  |           50  |           36.9  |           71.8  |           53  |    |||||

Trong các hệ thống sản xuất công nghiệp hiện đại, hiệu suất của các đơn vị năng lượng trực tiếp xác định hiệu quả và tính ổn định của các quy trình sản xuất. Là một thiết bị ổ đĩa sử dụng không khí...
Xem thêmTrong ngành công nghiệp hiện đại, việc lựa chọn thiết bị truyền tải điện ảnh hưởng trực tiếp đến hiệu quả sản xuất và ổn định hoạt động. Là một thiết bị ổ đĩa được cung cấp bởi không khí nén, ...
Xem thêmTrong đấu trường rộng lớn của sản xuất công nghiệp hiện đại, thiết bị nâng là một "anh hùng hậu trường" không thể thiếu ", âm thầm hỗ trợ hoạt động trơn tru của các quy trình sản xuất khác nhau. Tr...
Xem thêmGiữ kết nối